Microchannelplate Detector Assemblies
Kore offers dual micro channel plate-based (DMCP) assemblies for ion detection over large areas, based on either 40mm or 25mm diameter plates. The Kore DMCP detector assembly is typically used as the ion detector in time of flight mass spectrometers (though is not limited to TOF-MS), and the large active area gives high sensitivity and large fields of view in spectrometers with long flight tubes.
The choice of plate size is determined by the expected size of the ion beam at the detector position.
Features
-
Large active area 40mm or 25mm in diameter
-
Burle Long Life™ glass technology
-
Floatable for positive and negative ion detection
-
In vacuum decoupling for fast pulses
-
Earthed case for shielding in open flight tubes
-
Grid for low energy particle rejection
-
Bakeable
The DMCP consists of a matched pair of active micro-channelplates in a 'chevron' configuration with anode. Burle Long Life™ channelplates are employed to achieve good time resolution together with high gain, to allow for ion counting applications and long lifetime. The complete assembly comes ready to be bolted on to a standard Conflat vacuum flange and is bakeable.
In Kore TOF-MS systems, the detector is mounted on a conflat flange for direct insertion into Kore flight tubes at the correct position and angle. In TOF-MS instruments without floating liners (such as SIMS instruments) the detector is fitted with an integral earth shield, with a front entrance grid. This confines the electrostatic field resulting from the detector voltages and prevents it from affecting ions in the field-free region. A second grid brought out to its own feedthrough allows simple energy filtering to be realised. In TOF-MS instruments with floating liners, an entrance electrode with grid is mounted in front of the DMCP, and connects to the field-free potential.
The detector front, rear and anode connections are brought out on separate feedthroughs so that the detector may be operated in floating mode for some modest post-acceleration (max. feedthrough voltage 5kV). The ability to operate with the anode floated away from ground allows both negative and positive ions to be detected with high efficiency.
An optional pre-amplifier is also available from Kore to provide analogue and/or ion counting outputs in a single package that mounts directly to the flange via a quick release system for baking. This unit also provides a high voltage resistor network to correctly set the various Channleplate voltages from as little as one external high voltage supply.
Specifications
| Maximum excitation voltage "FRONT" to "BACK" | 2000V |
| Bias current range @ 2000 Volts | 8 - 79 µAmp |
| Typical anode bias with respect to "BACK" | 200V |
| Minimum charge gain (at 2000V) | 4 x 106 Minimum |
| Pore diameter | 10 µm |
| Pore spacing | 12 µm |
| Bias angle | 8° |
| Maximum voltage on any pin | ±5000V |
| Feedthrough type | Pins see drawing (suits Kore pre-amp unit) |
| Grids (shield and filter) | 90% transmission 0.050" pitch |
| Grid spacing earth grid to filter grid | 12 mm |
| Grid spacing filter to detector front | 6.5 mm |
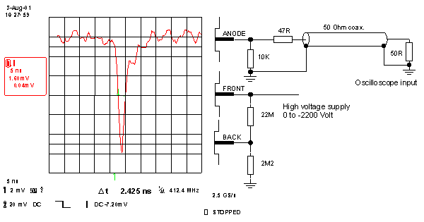
Typical performance (Detector assembly)

The left side of the graphic above shows a screen shot from a LeCroy 9361 digital oscilloscope (input bandwidth 300MHz) used to test the detector assembly. On the right is a schematic of the test setup used. The 100 Ω load seen by the MCP anode matches that used in the Kore pre-amp unit (see below). Note that the pulse width is probably limited by the oscilloscope input.
Options
-
Substitute SHV connectors for pin feedthroughs: may be useful for those not wishing to add the Kore pre-amplifier module, who instead wish to connect cables directly to the flange.
-
Extended dynamic range (EDR) MCP plates: may be useful in circumstances where large average signal currents are expected. As a general rule, for linear operation, one should avoid taking an average signal current greater than 1/10 of the plate bias current.
Top
Last updated: 17:08 26/02/2014
© Kore Technology Limited 2014