Flange mounting analogue/digital detector pre-amplifier

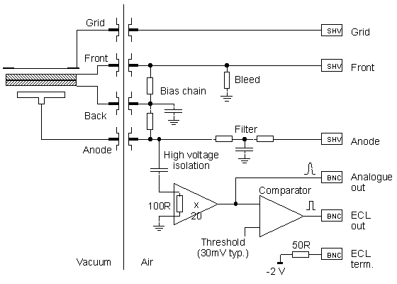
The analogue/digital pre-amplifier is designed to mount directly to the flange of the floatable, large area detector and provide signal amplification and 50 ohm cable drive for all time-of-flight applications. The connections are made by plugging the circuit board directly onto the vacuum feedthrough, to allow fast disassembly from the flange for baking. The unit includes high voltage biasing and smoothing to set detector voltages, suitable for positive and negative ion detection, well decoupled to ground at the flange. Two high voltage sockets (SHV) accept the float and detector excitation voltages from an external supply (for example Kore's TOF-MS Voltage Controller). In addition a third SHV socket is connected internally to the filter grid pin for convenience of connection.
Features
-
Very high speed (<1.5nsec rise time measured).
-
Analogue operation, digital operation or both simultaneously.
-
High gain: 20x in analogue stage and for typical threshold of 30 mVolt the comparator stage provides a further 23 x giving a total gain of 460 x.
-
Drives standard 50 Ohm cables.
-
Floatable input for positive and negative ion detection.
-
Fast de-mount from flange for bakeout.
Typical performance
This oscilloscope (300MHhz input bandwidth) screen shot shows both the analogue (red) and digital (blue) outputs of the pre-amp in response to a single ion arrival at the detector. Note that they are displayed at different sensitivities (analogue - 20 mV/div; digital - 0.5 V/div).
Detailed description

The pre-amplifier input is coupled to the detector anode via a high voltage capacitor so that signals may be gathered with the anode up to 5 kVolt away from ground. It includes a high speed analogue gain stage (20x rise time <1.5nsec)) capable of driving 50 ohm cable, followed by a fast comparator stage that can provide digital output pulses at ECL standard levels (suitable for example to drive the Kore 250ps time to digital converter) delivered, again, down 50 ohm cable. A pre-set potentiometer can be used to adjust the comparator threshold level. Either output may be used alone, with the other terminated, or both may be used simultaneously.
A third BNC socket is provided which provides a proper ECL termination (50 ohms to -2 Volt) for convenience. For example, if the digital output is not needed, then it may linked to the termination socket to ensure proper termination and eliminate any noise associated with unwanted signal reflections. A second common use arises if the ECL signals are to be examined on a conventional oscilloscope with a high input impedance. The ECL output would be led to a tee piece at the 'scope input and then back to the ECL termination socket on the pre-amp unit.
A measure of protection is provided at the input of the amplifier by a very fast diode, primarily to speed up the recovery from excessively large input signals that often occur in a time-of-flight experiment. For example an initial intense burst of electrons from a laser based experiment. However, inevitably with research equipment, unusual experiments may lead to unintended high voltage flash-overs. Perfect protection from these is incompatible with very high-speed performance so to minimise the pain associated with such events the semiconductor components on the pre-amplifier board are mounted in ultra low profile sockets and can therefore be changed relatively easily.
The pre-amplifier is powered by +5 and -5 Volt DC inputs at a single DIN connector. These are compatible with the DC power output socket provided with the Kore TDC Histogramming unit. A single cable assembly, provided with the pre- amplifier unit, is therefore all that is required to use the two products together.
Top
Last updated: 17:13 26/02/2014
© Kore Technology Limited 2014